-
John William Halloran

Professor Emeritus
2010 HH Dow
T: (734) 763-1051
Non-Contact Mechanical Evaluation of Ultra-High Temperature Ceramics with the Electromagnetic Mechanical Apparatus (EMMA)
Sponsor: AFOSR
|
| This project is about materials for extreme environments. The materials are Ultra High Temperature Ceramics (UHTCs) used in supersonic/hypersonic vehicles in leading edges and nose cones where they experience extreme mechanical and thermal loads. Temperatures can go above 2000C. We developed a novel characterization technique for testing high temperature mechanical properties. Unlike conventional testing which is limited to a temperature |
Highlights (Click an image for more information)
-
Self-supporting, self-heated miniature specimen along with a simple table-top apparatus for ultra high temperature oxidation testing
This picture shows a self-supporting, self-heated miniature specimen along with a simple table-top apparatus designed for ultra high temperature oxidation testing, done by Sigrun Karlsdottir and John W. Halloran. The specimen is prepared so it is a “matchstick”, a 2-mm square cross section and 20 mm long. In the center of the specimen the thickness is reduced to 0.35 mm to make a ribbon-like hot zone. The advantage of this miniaturization is that an ultra-high temperature can be achieved in the specimen without creating a difficult-to-manage heat load in the surroundings. The small heat load enables us to use our simple table-top apparatus, and more importantly enables diagnostics to be brought close to the hot specimen.
-
Oxide Scale of ZrB2-SiC composite tested in the table-top apparatus
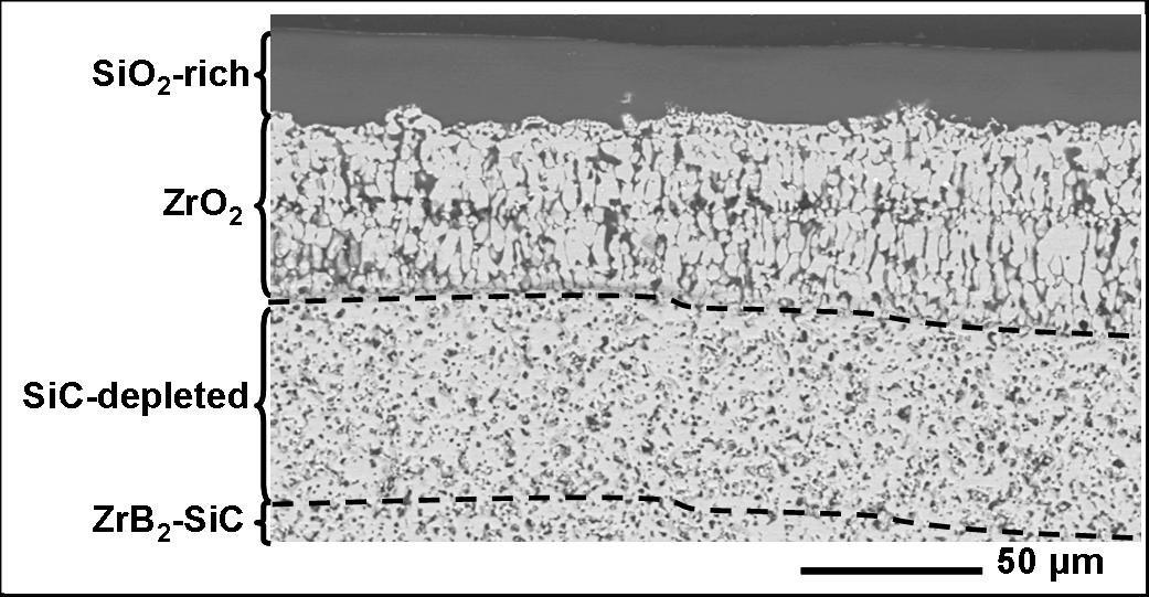
This image shows an oxide scale of an oxidized ZrB 2 -SiC composite; a member of Ultra-High Temperature Ceramic (UHTC) family. The ZrB 2 -SiC composite was tested at 1700C in a novel apparatus designed and built in Prof. Halloran's ceramic laboratory.The oxide scale has a complex structure; multi-layer and -composition. The outermost layer is a SiO 2 rich glass, the second layer is a columnar ZrO2 layer with small SiO 2 -B 2 O 3 glass embedded between the ZrO 2 grains, the third layer is a so called SiC-depleted layer i.e. ZrB 2 -SiC bulk material depleted of the SiC grains. With the apparatus oxidation experiments can be performed in ambient air from 900-2000C. The design of the apparatus is based on the fact that UHTC are metallic conductors so a current can be passed through a small ribbon UTHC specimen that will resisively heat.
-
Multi layer oxide scale of a ZrB2-SiC composite tested at high temperature
This image shows an oxide scale of an oxidized ZrB 2 -SiC composite; a member of Ultra-High Temperature Ceramic (UHTC) family. The ZrB 2 -SiC composite was tested at 1650C in a novel apparatus designed and built in Prof. Halloran's ceramic laboratory.The oxide scale has a complex structure; multi-layer and -composition. The outermost layer is a SiO 2 rich glass, the second layer is a columnar ZrO2 layer with small SiO 2 -B 2 O 3 glass embedded between the ZrO 2 grains, the third layer is a so called SiC-depleted layer i.e. ZrB 2 -SiC bulk material depleted of the SiC grains. With the apparatus oxidation experiments can be performed in ambient air from 900-2000C. The design of the apparatus is based on the fact that UHTC are metallic conductors so a current can be passed through a small ribbon UTHC specimen that will resisively heat.
